Encuentra tu producto en los diagramas
PRODUCTOS DISPONIBLES SOLO EN SUCURSAL
Ingresar
Mi Carrito
0
☰
APARATOS ELÉCTRICOS
ARNÉS DE CABLEADO
CABLES
CAMBIO DE MARCHAS Y MECANISMO DE CONTROL
CARBURADOR
CARTER COMPLETO
CÁRTER COMPLETO
COLUMNA DE DIRECCIÓN Y SUSPENSIÓN DELANTERA
COMPONENTES DEL CIRCUITO DE REFRIGERACIÓN POR AIRE
CONECTOR DE ADMISIÓN - CARBURADOR
CONJUNTO DE BOMBA DE ACEITE
CONJUNTO DE FILTRO DE AIRE Y SISTEMA DE SNORKEL
CONJUNTO DE FRENO DELANTERO
CONJUNTO DE FRENO TRASERO
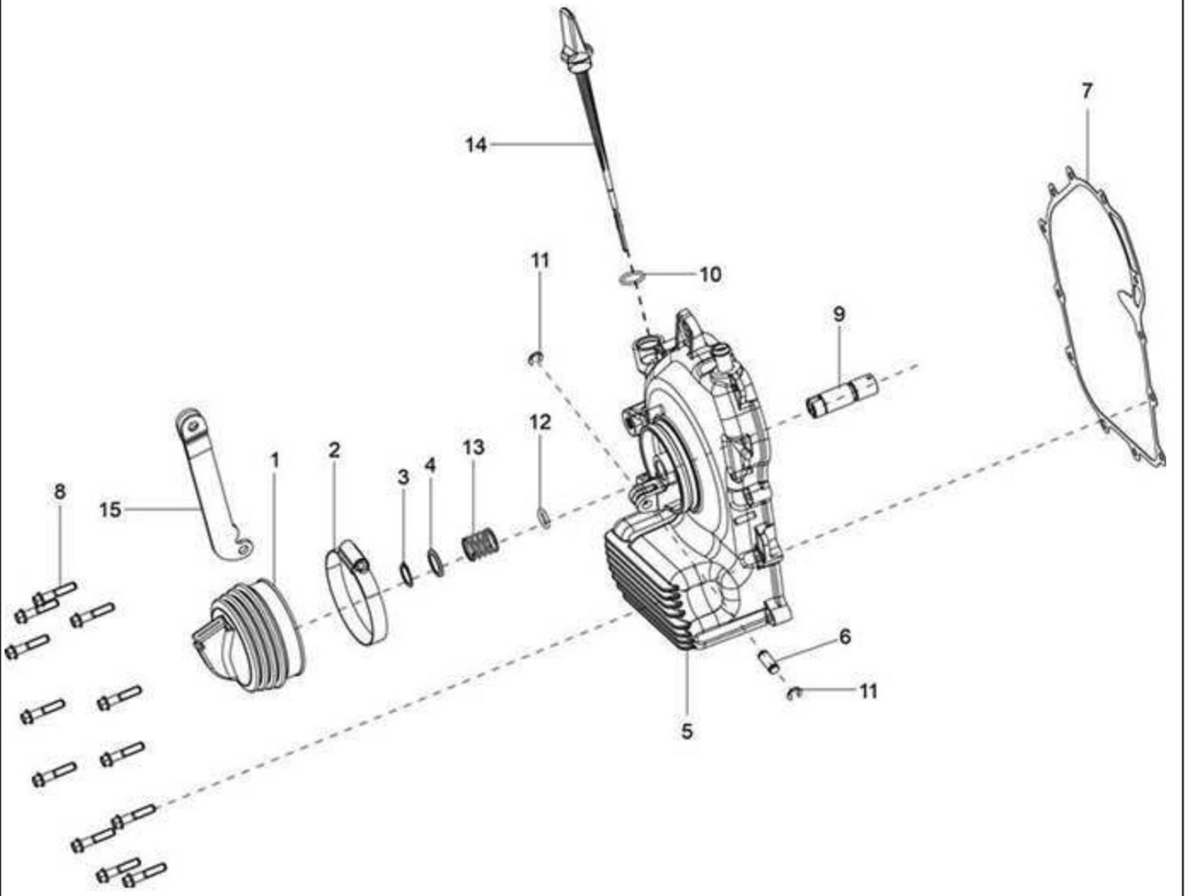
CONJUNTO DE TAPA DE EMBRAGUE
CONJUNTO DEL CIGÜEÑAL
CUERPO DE RICKHAW PARA AUTOMÓVIL DE PASAJEROS
CULATA CON IP
DEPÓSITO DE COMBUSTIBLE-FILTRO-TUBERÍAS DE COMBUSTIBLE-GAS
ENGRANAJE DIFERENCIAL COMPLETO
ESCUDO CONTRA EL VIENTO/VIDRIO/REBORDEAR
ESTRUCTURA PRINCIPAL/BKT DE BATERíA/BKT DE CONECTOR
FASCIA DELANTERA
FRENO: CILINDRO MAESTRO EN TÁNDEM, TUBO DE FRENO Y FRENOS DE MANO
GRUPO CILINDRO-PISTÓN
GRUPO DE ARRANQUE ELÉCTRICO
GRUPO DE EMBRAGUE
GRUPO DE ENGRANAJES
GRUPO DE ENGRANAJES DIFERENCIALES
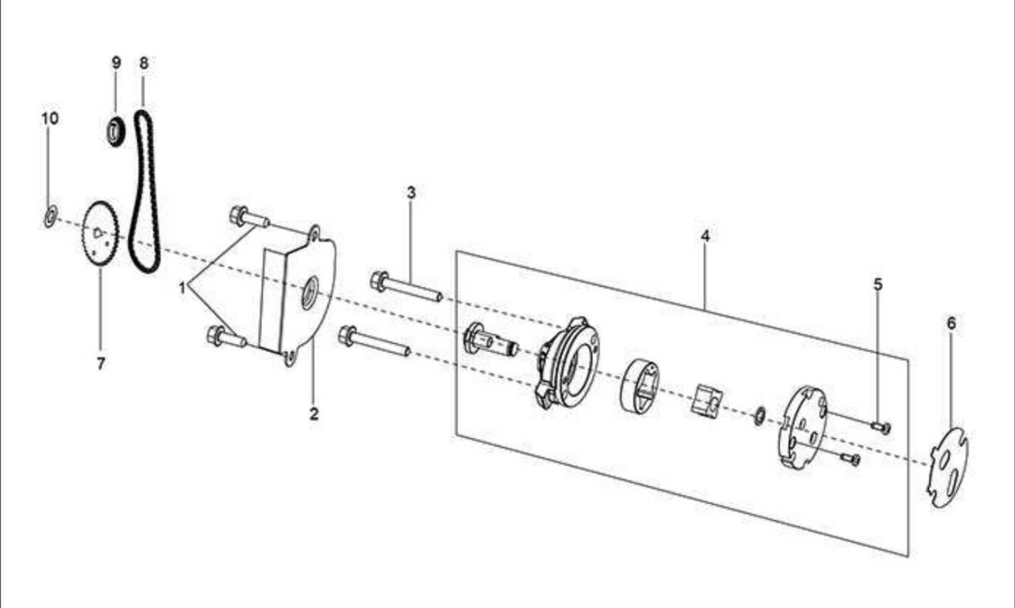
GRUPO DE SINCRONIZACIÓN
HERRAMIENTAS Y ACCESORIOS
KIT GLP
MANILLAR Y CONTROL
MOTOR
PARTES INTERIORES DE LA CABINA
REGULADOR DE GLP DE DOS ETAPAS
SOPORTE DEL MOTOR
SUSPENSIÓN TRASERA
TAPA DE ENGRANAJE DIFERENCIAL CON PI
Producto Agregado